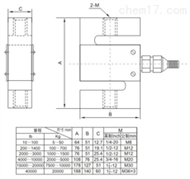
标称阻值(KΩ)5、10 总阻公差(%)±15 独立线性度(%)0.1、0.2、0.3、0.5、1 Z大电气行程(mm)300±1 额定功耗(W,at70℃)2.0 电阻温度系数(ppm/℃)≤±400
显示方式: 中文液晶显示,中文菜单式操作 测量范围: 0.019~1.9g/L, 0~99.9℃ 分 辨 率: 0.01ug/L, 0.1mV, 0.1℃
该产品是新一代智能型氧气传感器,采用标准信号输出,可与国内各种断电仪及监控系统配套使用,连续监测易燃工作环境中的氧气浓度。具有通讯距离远、接点输出功率大、就地显示、声光报警、红外遥控调校、安装使用方便等特点。
主要用于校准煤矿井下甲烷传感器、氧气传感器、一氧化碳传感器、甲烷断电仪等。地面校准各种气体检测报警仪、分析仪、是煤矿通风区、安全仪表计量站(实验室)等单位*设施。
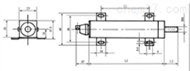
拉线速度 1000mm/s (MAX) 测量行程 0~1500mm 分辨力 0.005、0.01、0.025/脉冲 精度 0.05%FS
本产品具有测量精度高,体积小等优点,这使得其在很多场合有广泛应用,无论是测量长度、高度、厚度、间距或直线位移,还是在精度检测站、设备标定等方面,都能够实现快速、精确和可靠的测量。
本产品具有测量精度高,体积小等优点,这使得其在很多场合有广泛应用,无论是测量长度、高度、厚度、间距或直线位移,还是在精度检测站、设备标定等方面,都能够实现快速、精确和可靠的测量。
振动速度传感器亦称磁电式振动速度传感器主要用于电厂发电机组、风机、旋转机械、爆破等振动监测,也广泛应用于桩基检测、石油勘探,具有宽频带和较高的假频,各参数指标容允差均在±5%以内。稳定性好,精确度高,信号采集丰富,双线圈结构提高了抗共模干扰能力,线圈可在360°内自由旋转,有效清除面波干扰。
联系QQ:1121144324
联系邮箱:1121144324@qq.com
传真:010-82694481
联系地址:北京市昌平区西三旗泰华龙旗广场2号楼
扫一扫 微信咨询
©2025 版权所有 北京北信科仪分析仪器有限公司 备案号:京ICP备12019521号-2 技术支持:化工仪器网 sitemap.xml 总访问量:709089 管理登陆